背景 最近在回头看nfd项目 的源码,看到了使用async和await的js代码,因此想了解一下代码运行的机制。 一个例子 function SicBo() { return new Promise((resolve, reject) => { console.log("开始摇") s…
背景 公网IPv4政策的收紧,包括不限于不能使用DDNS服务解析到未备案域名,因此使用TG机器人API服务,定时检测IP地址,若IP变化则自动更新 项目地址 Raspberry-Pi/shell/telegram-ip-bot.sh at master · laningya/Raspberry-Pi · GitHub 部署过程 获取ChatID A…
Nginx配置 server { listen 443 ssl; server_name your.domain.com; # Security / XSS Mitigation Headers add_header X-Frame-Options "SAMEORIGIN"; add_header X-XSS-Protectio…
项目地址 GitHub - RockChinQ/LangBot: 😎丰富生态、🧩支持扩展、🦄多模态 - 大模型原生即时通信机器人平台 | 适配 QQ / 微信(企业微信、个人微信)/ 飞书 / 钉钉 / Discord / Telegram 等消息平台 | 支持 ChatGPT、DeepSeek、Dify、Claude、Gemini、xAI Gro…

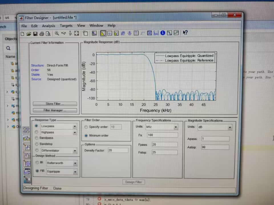
数字集成电路设计实验——FIR滤波器

1. 课程信息 ■实验地点:清水河校区KB239 ■ 实验时间:2021.04.16 ■ 实验时长:3小时(4节课) 2. 实验要求&…

数字集成电路设计实验——时钟

1. 课程信息 实验地点:清水河校区KB239 实验时间:2021.04.9 实验时长: 3小时(4节课) 2. 实验要求 驱动板上数码管显示当前时间(包含时、分、秒) ①建议定义n个按键,如用于功能切换 (tab)、校时+1(up)及确认(ok) ②整点报时:&n…

数字集成电路设计实验——流水灯

1. 课程信息 实验地点:****** 实验时间:2021.03.25 实验时长: 3小时(4节课) 2. 实验要求 驱动板上LED1 ~LED8按如下2个模式循环闪烁: ① 每个灯亮1s灭1s,从右至左…

GPU在并行信息处理中的应用

摘要 随着前端数据采集设备精度的不断提高,对信息处理系统的实时性、准确性提出更高的要求。而从日趋完善的计算机体系结构中,半导体工艺难以取得重大突破的情况下,想要获取更高的计算性能(信息处理能力),我们就必须探索另外一条道路——并行处理。GPU在应用于图像处理领用,其CUDA平台的支持,对于浮点运算的高效,因而作为并行信息处理的技术被广泛应用。 关键…

FPGA工程应用开发综合实验报告二

基于FPGA的BPSK信号产生器设计 2022年12月19日 摘 要 本次基于FPGA的计时器设计,在熟悉Quartus基本操作、Verilog编程语言的基本规则、SignalTap的基本应用,在前两次PN码序列产生器和DDS设计的基础上,通过分模块设计后进行连接的方式,完成基于FPGA的BPSK信号产生器设计。 本次设计分为PLL分频…

FPGA工程应用开发综合实验报告一
基于LCD的显示系统设计 2022年11月30日 摘 要本次基于FPGA的LCD显示系统设计,在熟悉Quartus基本操作、Verilog编程语言的基本规则、SignalTap的基本应用后,通过自顶向下、分模块设计后进行连接的方式,完成控制FPGA在LCD屏幕显示内容。本次设计分为PLL分频模块、上电复位模块、显示控制模块、显示驱动模块组成。通过分…